2009 Toyota Yaris Wiring Diagram , 2009 Toyota Yaris Wiring Diagram Pdf - Http://eightstrings.blogspot.com

2009 Toyota Yaris Wiring Diagram Pdf 2009-2010 Toyota Corolla Electrical Wiring Diagrams

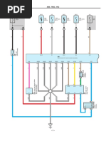
Toyota yaris 2007 wiring diagram pdf

Toyota yaris 2007 wiring diagram pdf. Toyota yaris manual 2008 value. Toyota fuse yaris box interior location fusibles hatchback diagram caja change 5l jeep cyl door ubicacion wiring patriot headlight lights. 2007 toyota yaris wiring diagram manual original

FORD EDGE 2007 2009 WORKSHOP REPAIR SERVICE MANUAL PDF - Auto

FORD EDGE 2007 2009 WORKSHOP REPAIR SERVICE MANUAL PDF - Auto

Toyotum Yari Radio Wiring Diagram - Complete Wiring Schemas

Toyotum Yari Radio Wiring Diagram - Complete Wiring Schemas

2009-2010 Toyota Corolla Electrical Wiring Diagrams | Anti Lock Braking

2009-2010 Toyota Corolla Electrical Wiring Diagrams | Anti Lock Braking

TOYOTA YARIS MANUAL 2008 VALUE - Auto Electrical Wiring Diagram

TOYOTA YARIS MANUAL 2008 VALUE - Auto Electrical Wiring Diagram

Toyota Yaris GSIC Workshop New Updated Manual DVD | Auto Repair Manual

Toyota Yaris GSIC Workshop New Updated Manual DVD | Auto Repair Manual